产品简述
KTY84-130YH系列热保护器是由碟形高灵敏双金属元件、动触头、静触片、固定底座、外壳、耐温导线等元件组成。全封闭的结构能使元件免受灰尘或杂质的污染,防止漆液的渗透及外力的损坏。工作时双金属元件处于自由状态,动触头与静触片闭合,电路导通。当使用电器因故障发热而使温度上升至热保护器的动作温度时,双金属元件受热产生内应力而迅速动作,推开动触头离开静触片而断开电路,从而切断故障电器电源起到保护电器作用。当被保护电器温度下降到热保护器的额定复位温度值时,双金属元件恢复到初始状态触点闭合,电器恢复正常工作。该产品具有电阻小、感温快、动作迅速、安全可靠、体积小等优点。
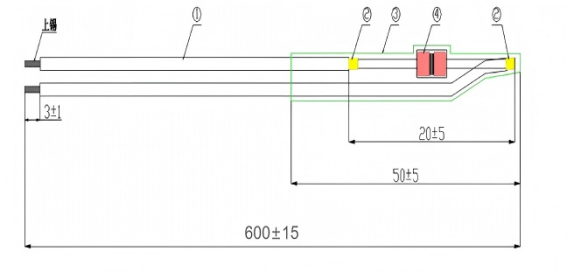
结构与外型尺寸
(热缩管型KTY84-130YH01-XXX(线长:mm)

| 序号 | 名称 | 规格材料 |
| 1 | 电线 | UL 1332 26AWG |
| 2 | 端子 | 2.0 铜带端子 |
| 3 | 套管 | 2.0 铁氟龙热缩管 |
| 4 | 电阻 | R100=1000±30Ω |
电气参数
| 序号 | 电气参数 | 符号 | 测试条件 | 最小值 | 标准值 | 最大值 | 单位 |
| 1 | 25℃电阻值 | R25 | 恒温25±0.05℃ | 577 | 603 | 629 | Ω |
| 2 | 100℃电阻值 | R100 | 恒温100±0.05℃ | 670 | 1000 | 1030 | Ω |
| 3 | 耗散系数 | δ | 静止空气中 | 1.5 | / | / | mW/°C |
| 4 | 热时间常数 | τ | 静止空气中 | / | / | 7 | s |
| 5 | 绝缘电阻 | / | DC=100V | 100 | / | / | MΩ |
| 6 | 最大工作电流 | IMAX | / | / | / | 8 | mA |
| 7 | 额定工作电流 | IN | / | / | 5 | / | mA |
| 8 | 额定功率 | PMAX | / | / | / | 50 | mW |
| 9 | 工作温度 | TA | -40-+180℃ | ||||
| 10 | 贮藏时间 | TMIN | 2年(室温、相对湿度<60%) | ||||
阻值曲线图

R-T特性参数

