YH-104U-S霍尔式速度传感器是一种双路全出传感器,可用于测量目标体的转速,位置,正反转等应用,具有高可靠性等特点。
产品简述
瑜立智能YH-104U-S系列速度传感器(转速传感器)是根据霍尔效应设计的一类用来测目标体转速、速度、位置的传感器。传感器内部根据目标测量体(齿轮)设计了霍尔效应集成电路(IC)、信号发生齿轮,推荐使用铁、钴镍等材质制作,例如:硅钢材质齿轮,也可以使用永磁磁体作为信号发生体,当信号发生体转动,由于霍尔效应集成电路(IC)感应的磁通密度产生变化,传感器相对应输出A,B两方波脉冲,方波输出的数量与测量目标体的凸极数量成正比,本系列产品内部磁铁采用钐钴磁材,外壳使用PA66+GF30工程塑料,产品在耐受振动、高温性能优越,产品内部设计有EMI虑除功能,对外部电流 电压冲击有自动保护功能。
典型应用
- 电机转速测量
- 车辆轮速测量
- 位移测量
- 机床主轴转速测量
产品特点
- 防水防尘等线
- 输出波型为标准方波
- 低功耗电流:3mA~5mA
- 宽工作范围:-50℃-145℃
- 固定的安装方向,安装方便
- 宽工作频率范围:0Hz-20KHz
- 宽电压工作范围:DC4.5V-DC30V
- 抗振动能力强:IEC60068-2-64-2019
- 电磁兼容(EMC能力强):EN IEC 61000-6-4:2019EN ,IEC 61000-32:2019+A1:2021,EN 61000-6-2:2019
为客户创造价值
- 具有高耐工作环境能力:
- 宽温度耐受能力,保障可靠性
- 宽电压工作范围,产品通用性强高防护等线IP69
- 内置高温磁铁,提高产品稳定性
- 自动虑除外部干扰信号设计,使用寿命更长
- 标准化设计:优化产品结构,降低用户使用成本
- 性能冗余设计:产品在耐受外部环境,电磁干扰性能优越,故障少,减少或免除用户售后支出
| 电气参数 | ||
| 参数名称 | 符合标准 | 参数 |
| YH-104U-S | ||
| 电源电压 | 典型电源DC12VISO 16750-2 | 4.5 V to 24V |
| 功耗电流 | / | 3mA-5mA 与电源电压有关 |
| 反向保护电压 | ISO 16750-2 | -30 V |
| 短路保护 | ISO 16750-2 | 30 V |
| 信号类型 | 双路方波 | NPN (集电极开路) |
| 占空比 | 取决于齿轮的齿顶和齿底宽度 | 50% ±10% |
| 输出高电平 | / | Voh ≥Vcc-0.5V |
| 输出低电平 | / | ≤0.3V |
| 工作频率 | / | 0Hz-20kHz |
| 绝缘等级 | ISO 16750-2:2012 | >10 MOhm at 500 Vdc |
| 机械性能参数 | |
| 参数名称 | 参数 |
| YH-104U-S | |
| 气隙 | 0.5mm-2mm |
| 外壳材质 | PA66+GF30 |
| O型圈材质 | 70硬度碳氟化合物,PTFE涂层,内径17.0 mm x线径2.0 mm |
| 固定嵌件 | 铝6061 |
| 连接器型号 | TE 泰科 ENG-CD-282106 |
| 导线长度 | 典型550±20mm |
| 齿轮类型 | 直齿(铁质) |
| 齿顶宽度 | 2mm (推荐) |
| 齿轮厚度 | ≥8mm |
| 环境参数 | |||
| 参数名称 | 符合标准 | 参数 | |
| YH-104U-S | |||
| 电磁兼容(EMC) | EN IEC 61000-6-4:2019EN IEC 61000-3-2: 2019+A1:2021EN 61000-3-3:2013+A1:2019+2021EN IEC 61000-6-2:2019 | 10 kHz to 10 MHz, 60 m/V200 MHz to 2.7 GHz, 100 V/m800 kHz MHz to 1000 MHz, 3 m/V | |
| 抗振动能力 | IEC60068-2-64-2019 | 29.8 GRMS, 24 Hz to 2000 Hz, MIL-STD-202-214 | |
| 抗静电能力 | / | ±4 kV contact, ±8 kV air | |
| 温度冲击试验 | -50°C to 155°C | 48小时 | |
| 环境湿度 | 95 %RH at 55°C | 10 %RH to 90 %RH at-40°C to 85°C,150 cycles, 600 hr total | |
| 盐雾试验 | 在35°C和93%相对湿度下,将5%质量的盐溶液放置400小时,测试至2000小时传感器包装区域无任何进入传感器内部 | 在35°C和93%相对湿度下,将5%质量的盐溶液放置400小时,测试至2000小时,传感器包装区域无任何进入传感器内部 | |
| 阻燃等级 | UL94-V-0 | 燃料在10秒内停止燃烧,并且燃烧后的残留物不出现燃烧的火花或火苗 | |
| 耐油等级 | ASTM D471 | 可在汽车机油中长期浸泡 | |
| 建议工作温度 | / | -50°C至 130°C | |
| 储存温度 | / | -40°C 至 70°C | |
工作原理

输出图
传感器的输出是吸收电流NPN(集电极开路),上拉电阻(1.5kW-2k )应连接到传感器输出电路(在电源Vcc和输出之间),在接通电源之前,连接两个输出的上拉电阻器。

推荐齿轮尺寸

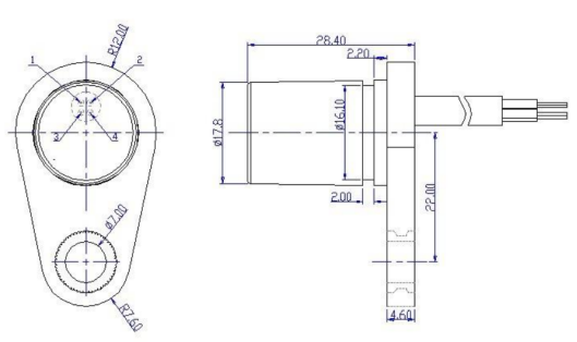
安装尺寸图
