YH-XB297-240系列外转子式磁阻式旋转变压器是一种无源式角度、位置、转速传感器,适用于轮毂电机,机器人活动关节,军事装备等需要外转子结构中测量。因其材质与结构简单,具有适有工作环境能力强,产品一致性,可靠性强。
产品简述
瑜立智能YH-XB297-240系列磁阻式旋转变压器为无源式传感器,在制造上具有较大的成本优势。磁阻式旋转变压器因具有高可靠性,高转速测量范围绝对值信号输出等特点,被广泛应用,因产品是无源式传感器,内部无电子器件,所以可以根据用户要求进行灵活设计,适应不同客户对结构,安装尺寸的需求。
另外旋转变压器配合解码芯片(例如: AD2S1210WDSTZRL7) 可以解出单圈角度精度12bit并可以设计成多圈绝对值旋转变压。
典型应用
- 工程机械
- 高速列车
- 船舶行业
- 航空航天
- 电机速度,转角测量
- 电动车速度,转角测量
- 数控机床 注塑成型机
产品特点
- 无源式器件
- 正弦,余弦信号输出
- 角度精度高12bit
- 防护等级高IP69
- 方便安装与调零
- 调零精度高≤0.3º
- 高转速测量范围( 0~20000)RPM
为客户创造价值
- 极对数可定制 尺寸适应性宽;
- 配套调零测试设备解决零点不准带来的发热,高噪音,执行不准确等问题;
- 稳定的输出性能,降低设备振动 提高能量有效利用率;
- 优秀稳定的动态变压比,提供平稳的数据流为动力设备提供舒适的体验感。
| 电气参数 | |||
| 型号(Mode) | YH-XB297-240-5-A01 | YH-XB297-240-10-A01 | YH-XB297-240-15-A01 |
| 极对数 (Pole) | 5 | 10 | 15 |
| 励磁电压 (Input voltage) | AC7Vrms(典型) | ||
| 励磁频率 (Input frequency) | 10K Hz (典型) | ||
| 变压比 (Transformation ratio) | (0.286 ±5%静态)(0.286 ±1%动态) | ||
| 电气误差(Accuracy) | 20´ | 10´ | 6´ |
| 相位移 (Phase shift) | ≦4° | ||
| 输入阻抗(Input impedance) | (110±20)Ω | (120±20)Ω | (125±20)Ω |
| 耐电压 (Dlelectrics strength) | AC 500V 1 min | ||
| 绝缘电阻 | 250㏁ 最小 | ||
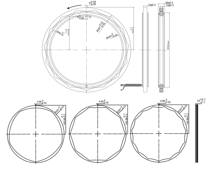
| 转子孔径 | (240+0.02)mm | ||
| 引出线规格 | 导线直径 1.5mm 导体截面积 0.35² | ||
| 充许最大转速 | 20000RPM 更高转速需定制 | ||
| 工作温度范围 | -50℃∽155℃ | ||
| 产品特点 | 输出平稳,调零便捷精准 | ||
| 推荐解码芯片 | AD2S1210WDSTZRL7 (12bit,4096) | ||
| 最低调零(位置精度) | ≤0.3度 | ||
工作原理


输出与接线图

YH-XB297-240-X-A01


